* 产品详情- */>
关键词:燃煤锅炉,大震有机热载体炉,深圳大震锅炉









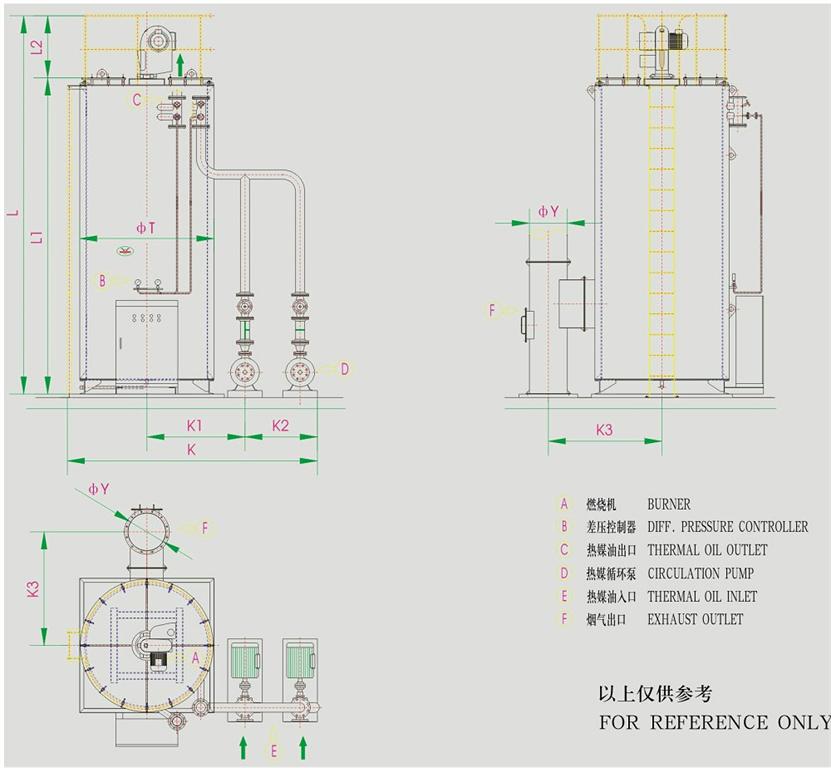
1、无集油盘构造,热媒油流动无死角,亦防止集油盘压力高产生破损漏油之危险。
2、燃烧室人孔,可提供快速检查及保养,并附有观火视窗,可清楚的监视燃烧状况,一般有集油盘构造之热媒炉无法提供此装置。
3、理想之传热管经设计,以确保适当之薄膜温度及提供充足之热媒流量及流速,不但延长传热管寿命并减缓热媒油质劣化。
4、锅炉门盖除内面以上陶瓷纤维及耐火泥断热外,外面并以岩棉板加强保温,以将热损减至了低并提供良好之操作环境。
5、二层式锅炉炉壳保温,内层采用陶化纤维外加棉板保温,以降低散热损失。
6、三回路管圈设计,传热面积比市面一般热媒锅炉大约30%,以降低排气温度并大幅提高锅炉效率。
7、大型燃烧室,避免火焰接触管壁而产生破坏,并降低氮氧化物排放。
8、快开式门盖,提供快速检查及保养,特殊构造无漏烟之问题。